WIFI TUNNELANTENNE 12 dBi SIRKULÆR RETNINGSSTYRT (2,4GHz & 5Ghz) - inntil 1km dekning

Spør kundeservice
A-HELI-0022-V2-01
11550 ,-
Eks mva Inkl mva
Tilgjengelig
+
  • Denne antennen gir spesielt god dekning inni tunnel. Med wifi dekning kan ansatte:
    • opprettholde kommunikasjon ut av tunnelen
    • ringe med mobil over wifi
    • lese mail
    • delta på Terams møter
    • sende og motta video
    • IoT/M2M kommunikasjon
  • Bedrifter kan ta kontakt for utlån av demo antenne.
  • Ta kontakt for kartlegging av stedlige forhold/behov for komplett løsningsforslag og tilpasset tilbud.
  • Denne antennen kan kobles til eksisterende WiFi aksesspunkt. Feks med fiber på trommel kan (550m pr trommel) kan utvendig Wifi signal overføres til ønsket lokajson langt inni tunnelen. 
  • Kjøp eller leie
  • Flere antenner kan på ulike måter seriekobles for punktvis eller sammenhengende dekning gjennom hele tunnelløpet
  • Robust retningsstyrt spesial WiFi tunnelantenne for montering i tunneltak
  • Patentert sirkulær polarisering som løser vanlige singal problemer i tunnel når signalene reflekteres over mange overflater.
  • Svært god retningsstyring av signal - 2.4 GHz, 12 dBi maks og 5-6 GHz, 13 dBi maks.
  • Dual-band MIMO WiFi 2,4 og 5 GHz
  • Settet består av 2 x 2 stk antenner pekende motsatt ved og der hvert par sender ut motsatt sirkulært signal - med og mot klokkeretningen
  • Antennen har innebygget kassett for montering av wifi radop (AP eller node) for å redusere signaltap som følge av antennekabel til et absolutt minimum.
  • N-hann antennekontakter
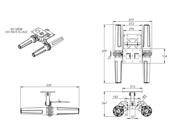
  • Settet inkluderer monteringsbrakett BRKT-45 og takboltfeste. Forlenget takboltfeste BRKT-47 kan bestilles separat for tilpasning til stedlige forhold.
  • Denne anntennen gir svært god signal dekning. Rekkevidde kan likevel ikke garanteres og bero på stedlige forhold med overfalte, hindinger som kjøretøyer, loss of sight, fall/stigning med mer.

Antennespesifikasjoner:
Frekvensområde og forsterkning:
2.4 GHz, 12 dBi maks.
5-6 GHz, 13 dBi maks. 
Polarisering: Sirkulær
Utstråling: retningsbestemt
Konnektor: N-han
Impedanse: 50 Ohm
Kapslingsgrad: IP 65
Temperaturområde:  -40°C til +70°C
Luftfuktighet: inntil 98%
Antennekabler:  4 x 350mm  RG-58 kabler med N-han-kontakt
Dimensjon produkt: ± 266 mm x 415 mm x 526 m
Dimensjon produkteske: 542 mm x 372 mm x 182 mm
Vekt: 3.9 kg.

 

Spesialantenner for tunnel

2.4 og 5GHz dual band tunnelantenne

Heli-antennene ble opprinnelig produsert for å gi nødvendig dekning i de mange gruvene som finnes i Sør-Afrika. Idag leveres antennen til  gruver og tunneler i hele verden. I Norge testet distributøren denne WiFi-antennen i en av tunnelene som bygges i forbindelse med nye Tolga kraftverk. Skanska var entreprenør med behov for dekning i totalt 12 km. tunnel.

Optimal dekning i gruver og tunneler

Heli-22 består av to stk. doble 2.4/5GHz antenner (ett antenneelement for hvert frekvensbånd) som stråler i begge retninger, dvs. toveis. Antennene er sirkulært polariserte som betyr at de stråler i roterende sirkler, noe som er ideelt for å få optimal dekning i gruver og tunneler. Den ene antennen i Heli-22 er venstrehånd sirkulær (LCH), mens den andre er høyrehånd sirkulær (RHC).

Sirkulær polarisering

Heli-22 bygger på patent med sirkulær polarisering som omgår problemene man får i tunneler og gruver ved bruk av vanlige lineære (vertikale eller horisontale) polariserte antenner. Det vil pga. formen av en tunnel og utstyr/kjøretøyer i tunnelen oppstå interferens fra reflekterte bølger ved bruk av antenner med lineær polarisering. Det samme skjer ikke ved bruk av sirkulært polariserte antenner da en høyreroterende stråle vil reflekteres som en venstreroterende og omvendt. 

Kilometer med dekning

I test ble Heli-22 koblet til 4G-ruter med svært tilfredsstillende WiFi-dekning på nesten én kilometer fra antennepunktet, mye lengre enn forventet, men dette vil kunne variere svært mye beroende på stedlige forhold.

 

 

Tilgjengelig
2733 ,-
Tilgjengelig
875 ,-
 
 
 
 
 

SEND FORESPØRSEL

 
 
 
EUROWORKER INDUSTRIELL KOMMUNIKASJON
RASK LEVERING OVER HELE LANDET

Med eget lager og stort distributørnettverk, setter vi himmel og jord i bevegelse for å raskt levere din bestilling.

KVALITET OG GOD KJØPSOPPLEVELSE

Vi er opptatt av å gjøre en god jobb for deg. Hvis du mener vi kan forbedre oss, er vi takknemling for enhver tilbakemelding - ring på 22 80 80 10.

PRODUKTKUNNSKAP OG KJØPSTRYHHGET

Kontakt en kunderådgiver på 22 80 80 10. Vi tenker konsept, stiller spørsmål og lytter for å finne fram til produktløsninger som best dekker behovene.